싸이트주소  (마이페이지) 

 


























현재위치 : Home

이전 다음

[NO_번호 : 42981] [수정일자 : 2025-09-20]
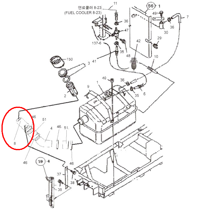
주유구_KC6130
KC6130

판매가

8380원
비회원 : 8380원

판매자

* 다사농기 8380원 1EA

구매하기

EA (현재 1EA 재고 있습니다.)

본상품포함  

 

 

전체선택 (재고확인)

연결호스_KC6130
(재고:2)

주유조인트_KC6130
(재고:1)

  
반도100_4in
(재고:108)

연료캡_NX520
7505-630-340-3

(재고:2)

연료탱크여과망_D500
(재고:2)

  
셈스볼트8*20*1.25/12
(재고:112)
(소요량:2EA )

 

전화번호

궁금한 점을 등록하시면 확인 후 답변드립니다.

 

 


 

 

 


 






























다사농기 | 대표 : 장광주 | 등록번호 : 408-02-72944
주소 : 전라북도 남원시 송동면 노송로 715-48
통신판매신고번호 : 2006-4860000-30-2-00002 호 | 정보관리책임자 : 장광주
고객센터 : 061-363-5677 | 팩스 : 063-636-5295 | 이메일 : kjh12380@empas.com