싸이트주소  (마이페이지) 

 

























카테고리 : 콤바인    트렉타   이앙기   경운기   관리기   나머지  


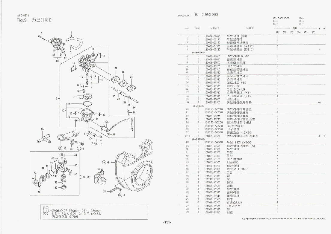
현재위치 : Home >> 이앙기 >> 얀마이앙기 >> 등록책자 >> VP8 >> 123~153
목차 | 제원표 | 설명서 | 123~153 | 154~183 | 184~207 | 208~237 | 238~263 |















































































































































목차 | 제원표 | 설명서 | 123~153 | 154~183 | 184~207 | 208~237 | 238~263 |