싸이트주소  (마이페이지) 

 

























카테고리 : 콤바인    트렉타   이앙기   경운기   관리기   나머지  


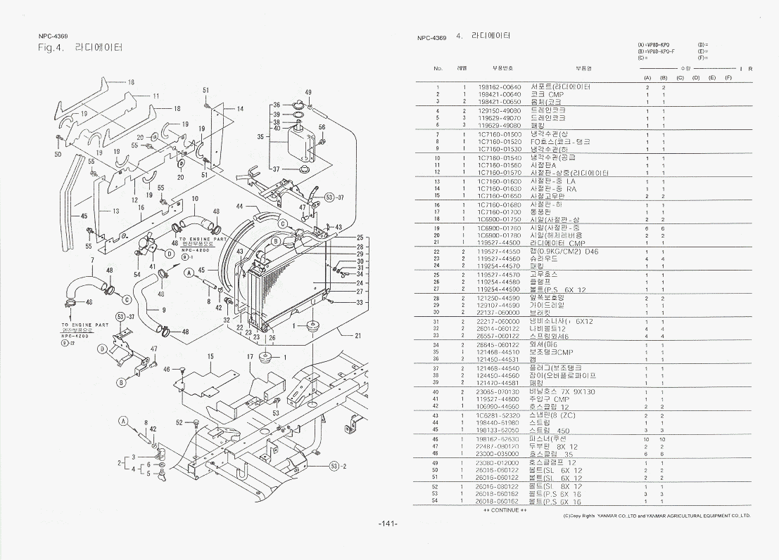
현재위치 : Home >> 이앙기 >> 얀마이앙기 >> 등록책자 >> VP8D >> 138~161
목차 | 설명서 | 제원표 | 123~137 | 138~161 | 162~176 | 177~191 | 192~203 | 204~217 | 218~228 | 229~241 | 242~263 | 264~273 |


























목차 | 설명서 | 제원표 | 123~137 | 138~161 | 162~176 | 177~191 | 192~203 | 204~217 | 218~228 | 229~241 | 242~263 | 264~273 |